阿里巴巴诚信通档案 阿里巴巴 诚信通企业网站  

 


Location:主页>Zhejiang Xingxing Electronics Co., LTD>Product>Tact Switch>

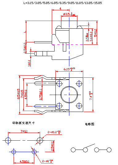
KA1L6×5×4-22

  Technological Parameter
   

Rating DC12V  50mA
Contact Resistance 30mΩ Max
Insulation Resistance 100MΩ Min
Dielectric Strength 250VAC
Operating Force 160,260±50gf
Life Force 100,000 Cycles Min
 
KA605A-1L6x6x4:KA605A-1L6x6x4 tech img
Download product information
PDF:
Official Download
Download Tip:
1、Product details as PDF document;
2、If you can not open documents after downloading, please install PDF reader;
3、(Recommended to use download tools or Save Target As to download。
 
Zhejiang Xing Xing Electronics Co., Ltd. All right  
Add:No.4 Yanpan Center Industrial Zone, Yueqing, Zhejiang, China P.C:325600

Tel:0577-62057288 Fax:0577-62057289